Описание
Шкаф уличный всепогодный 9U глубиной 600мм (нагрев, охлаждение, контроль климата) предназначен для размещения автономно функционирующего активного и пассивного оборудования, поддержания заданного температурного режима внутри шкафа при эксплуатации.
Возможна установка в закрытых помещениях или на открытом воздухе.
Корпус шкафа имеет сварную металлическую конструкцию, внутри покрыт термоизоляционным негорючим материалом. В основании шкафа предусмотрена съемная заглушка для ввода кабеля. Регулируемые по глубине 19'' направляющие толщиной 1,5 мм.
В шкафах с активной вентиляцией установлен вентиляторный модуль, с возможностью установки на "вдув" или "выдув". Защитная решетка позволяет предотвратить не только механические воздействия, но и попадание влаги внутрь шкафа.
Тепловентилятор предназначен для обеспечения точной и равномерной температуры в шкафах с электрическими и электронными модулями. Благодаря этому предотвращается образование конденсата или замерзание и вызываемые этим отказы в работе.
Вид климатического исполнения У2 ГОСТ 15150 с предельными рабочими температурами воздуха при эксплуатации от -50 С до +45 С и относительной влажности воздуха не более 80% при +20 С. Степень защиты: IP54
Первая часть обозначения (буквы):
У – умеренный макроклиматический район
Вторая часть обозначения (цифра):
2 – эксплуатация под навесом (защита от вертикальных струй воды, допускается обрызгивание, попадание пыли, снега);
Под индивидуальные требования Заказчика вид климатического исполнения можно изменить.
Материалы: холоднокатанная сталь ГОСТ 19904-90. Толщина деталей не менее 1,2 мм.
Покрытие: порошковая краска соотвествующая ГОСТ 9.410-88.
Шкаф поставляется в собранном виде в картонной упаковке.
Для установки термошкафа на опору (столб) понадобится крепление ТВК на мачту.
Комплектация поставки
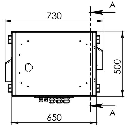
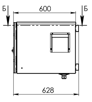
- Шкаф 9U 500x730x630 покрытый термоизоляционным материалом - 1 шт.
- 19'' направляющие 9U - 4 шт.
- Защитные козырьки для вентияционных решеток - 2 шт.
- Панель под кабельный гермовводы - 1 шт.
- Гермоввод PG29 - 3 шт.
- Гермоввод PG16 - 2 шт.
- Панель 19'' с DIN-рейкой 4U - 1 шт.
- Опорный уголок под установку ИБП - 2 шт.
- Автоматический выключатель 2P 16A - 1 шт.
- Автоматический выключатель 1P 10A - 1 шт.
- Автоматический выключатель 1P 3A - 1 шт.
- Блок питания ERD-2s - 1 шт.
- Устройство удалённого контроля и управления ERD-2s - 1 шт.
- Датчик температуры цифровой - 1 шт.
- Датчик открытия двери (герконовый) - 1 шт.
- Блок розеток - 1 шт.
- Ограничитель перенапряжения - 1 шт.
- Розетка на DIN-рейку - 1 шт.
- Нагреватель 150 Вт 220В - 1 шт.
- Вентилятор 120х120х38 220В - 2 шт.
- Решетка вентиляционная с фильтром - 2 шт.
- Терморегулятор (нагрев) - 1 шт.
- Терморегулятор (охл) - 1 шт.
- Клемма винтовая 4 мм - 2 шт.
*в зависимости от поставки комплектация может изменяться
Основные размеры и габариты
Установка цоколя и дополнителной крыши
Цоколь и крыша приобретаются отдельно
Шкаф укомплектован системой мониторинга на базе контроллера SNR-ERD-2s.
Ссылка на контроллер и документацию к нему:
https://data.nag.wiki/SNR%20ERD/SNR-ERD-2S/
Система дополнительно оснащёна цифровым датчиком температуры DTS-2 и герконовым датчиком открытия дверей:
https://shop.nag.ru/catalog/00007.Avtomatizatsiya-i-monitoring-/06630.Datchiki/20065.SNR-DTS-2
https://shop.nag.ru/catalog/00007.Avtomatizatsiya-i-monitoring-/06630.Datchiki/06632.IO-102-162
Характеристики
| Общие | |
|---|---|
| Тип шкафа | Климатический шкаф |
| Тип установки | Настенная |
| Класс защиты IP | IP54 |
| Цвет | Серый |
| Распределенная нагрузка, кг | 60 |
| Размеры | |
| Высота, U | 9 |
| Ширина, мм | 730 |
| Высота, мм | 500 |
| Глубина, мм | 630 |
| Полезная глубина, мм | 545 |
| Конструкция и материалы | |
| Тип двери спереди | Цельнометаллическая |
| Тип двери сзади | Без двери |
Документация и ПО
Сопутствующие товары
Отзывы о товаре
Вопросы о товаре
2Доставка
Шкаф уличный всепогодный 9U глубина 600мм (нагрев, охлаждение, контроль климата, ERD ) c доставкой по всей России. Способ доставки вы выбираете при оформлении заказа: самовывоз со склада, курьером до адреса, в пункт выдачи заказа (ПВЗ) или до терминала транспортной компании.
Доступные службы доставки: Деловые линии, DPD, Почта России, СДЭК, КСЭ, ПЭК, Спецсвязь, КИТ.
Сроки и стоимость доставки рассчитываются при оформлении заказа.
Оплата
Оплатить заказ можно банковской картой или по счёту для юридических лиц и ИП.
Также доступна покупка в кредит через банк-партнёра.











