Описание
Шкаф телекоммуникационный для узла доступа 600х400x200мм, серия RT без блока питания предназначен для организации соединения волокон магистрального кабеля и размещения сетевого коммутатора. Шкаф рассчитан на использование в закрытых помещениях.
Корпус шкафа имеет сварную металлическую конструкцию. Дверь распашная с максимальным углом открытия двери 180°, замок цилинндрический под "английский" ключ.
В шкафах предусмотрена съемная панель под установку сплайс кассеты и подключения до 8 адаптеров SC / LC Duplex. Распашная съемная панель под установку коммутатора высотой 1U. Место под установку аккумулятора, блока питания, автоматического выключателя и розетки. Монтажные уголки и профили для организации кабеля внутри шкафа.
Степень защиты: IP30. Материалы: холоднокатаная сталь ГОСТ 19904-90. Толщина деталей не менее 1,2 мм.
Покрытие - порошковая краска соответствующая ГОСТ 9.410-88.
Комплектация:
- Сплайс-кассета универсальная FT-U-01 - 1 шт.
- Автоматический выключатель - 1 шт.
- Розетка - 1 шт.
Коммутатор, патч-корды и аккумулятор поставляются отдельно.
| Габаритные размеры |
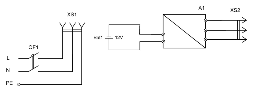
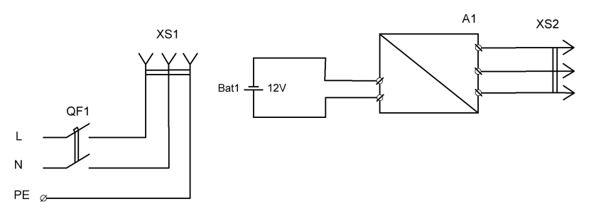
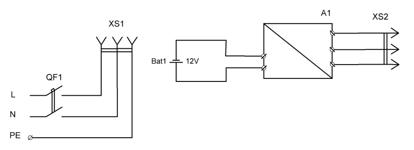
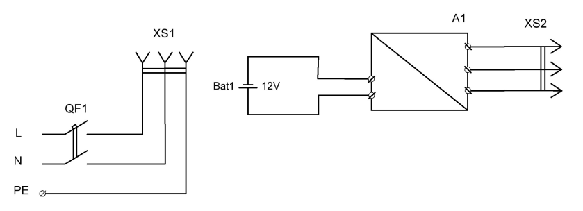
| Схема электрическая принципиальная |
| Обозначение | Наименование | Количество |
| QF1 | Автоматический выключатель 2P 16A | 1 |
| XS1 | Розетка на DIN-рейку | 1 |
| Bat1 | Аккумулятор 12В | 1 |
| A1 | Коммутатор | 1 |
| XS2 | Разъем питания | 1 |
Характеристики
| Общие | |
|---|---|
| Тип шкафа | Телекоммуникационный шкаф |
| Тип установки | Настенная |
| Класс защиты IP | IP30 |
| Цвет | Серый |
| Распределенная нагрузка, кг | 60 |
| Размеры | |
| Высота, U | 1 |
| Ширина, мм | 400 |
| Высота, мм | 600 |
| Глубина, мм | 200 |
| Полезная глубина, мм | 180 |
| Конструкция и материалы | |
| Тип двери спереди | Цельнометаллическая |
| Тип двери сзади | Без двери |
Документация и ПО
Сопутствующие товары
Отзывы о товаре
Вопросы о товаре
Доставка
Шкаф телекоммуникационный для узла доступа 600х400x200мм, серия RT без блока питания (SNR-TWC-604020-RT-IP30) c доставкой по всей России. Способ доставки вы выбираете при оформлении заказа: самовывоз со склада, курьером до адреса, в пункт выдачи заказа (ПВЗ) или до терминала транспортной компании.
Доступные службы доставки: Деловые линии, DPD, Почта России, СДЭК, КСЭ, ПЭК, Спецсвязь, КИТ.
Сроки и стоимость доставки рассчитываются при оформлении заказа.
Оплата
Оплатить заказ можно банковской картой или по счёту для юридических лиц и ИП.
Также доступна покупка в кредит через банк-партнёра.

