Шкаф телекоммуникационный настенный серии TWS предназначен для размещения оптического и электротехнического 10 дюймового оборудования систем передачи данных и предназначен для эксплуатации в закрытых помещениях как офисного, так и промышленного типа.
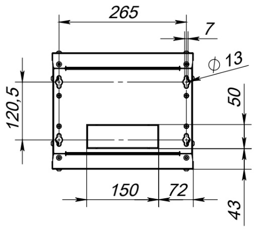
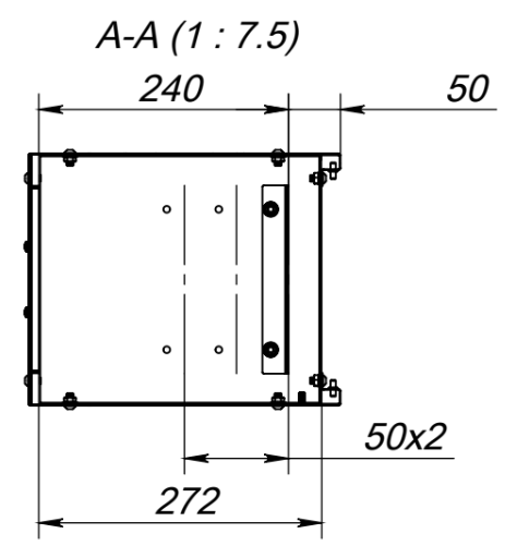
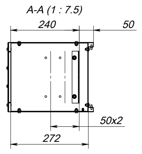
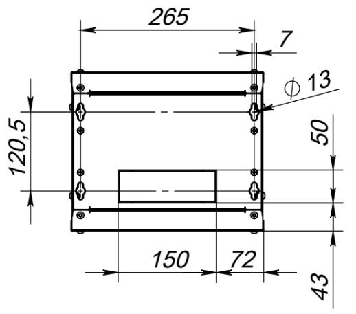
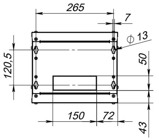
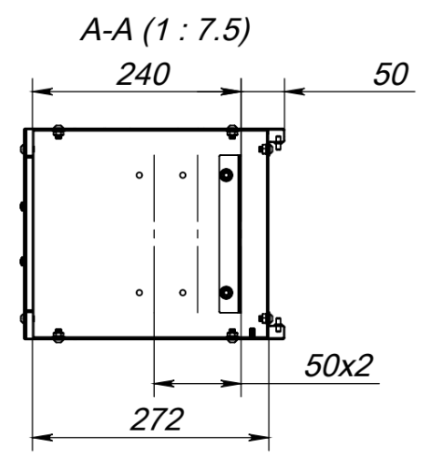
Шкаф имеет сборно-разборную конструкцию состоящую из дна, крышки, металлической двери, двух боковых стенок и задней стенки. Шкаф комплектуется регулируемыми по глубине монтажными 10'' уголками, замком двери. Дверь перенавешиваемая. Кабельные вводы (полупробивные отверстия 150х50) предусмотрены в основании, крышке шкафа и задней стенке. Предусмотрена возможность заземления всех элементов шкафа.
| Общие | |
|---|---|
| Тип шкафа | Телекоммуникационный шкаф |
| Тип установки | Настенная |
| Класс защиты IP | IP20 |
| Цвет | Серый |
| Распределенная нагрузка, кг | 40 |
| Размеры | |
| Высота, U | 4 |
| Ширина | 294 |
| Высота, мм | 243 |
| Глубина, мм | 300 |
| Полезная глубина, мм | 200 |
| Конструкция и материалы | |
| Конструкция шкафа | Разборная |
| Тип двери спереди | Цельнометаллическая |
| Тип двери сзади | Cъемная панель на винтах |
| Перестановка направляющих, мм (шаг) | 50 |
| Толщина стенок, мм | 0,8 |
| Толщина профилей, мм | 1,5 |
| Крепление на планку | Нет |
| Доступ с трех сторон | Нет |






