Описание
Предназначены для защиты оборудования передачи данных, либо компьютера, использующего среду передачи Ethernet 10/100/1000Base-TX, от опасных напряжений, возникающих в результате атмосферных разрядов (грозы) и индустриальных помех. Устройства выделены в линейку РГ5 по признаку наличия гальванической трансформаторной развязки кабеля с оборудованием.
- РГ5.х-1-90 - Однопортовое устройство защиты для сетей 10/100Base-TX
- РГ5G.х-1-90 - Однопортовое устройство защиты для сетей 10/100/1000Base-TX
- РГ5.х-8LSA-220 - Групповой модуль защиты на 8 портов для сетей 10/100Base-TX. Модуль устанавливается в Универсальный корпус 19-ти дюймового европейского стандарта высотой 1U отличающийся повышенной жёсткостью и удобством монтажа.
- РГ5G.х-4LSA-220 - Групповой модуль защиты на 4 порта для сетей 10/100/1000Base-TX. Модуль устанавливается в Универсальный корпус 19-ти дюймового европейского стандарта высотой 1U отличающийся повышенной жёсткостью и удобством монтажа.
В основе работы устройства лежит принцип отвода пасных напряжений, возникающих в кабеле, на шину заземления через среднюю точку трансформаторной развязки. Данное инженерное решение является уникальным и до сих пор не применялось в устройствах защиты. (См. Конструктивные особенности РГ5.)
- Отсутствие электрической связи (гальваническая развязка) между защищаемым оборудованием и подключаемым кабелем.
- Высокая стойкость. Способность отводить на шину заземления большие токи при сохранении работоспособности (5000 ампер и более!!!).
- Высокая степень подавления помех.
- Низкие потери полезного сигнала. (Уровень потерь в устройстве меньше чем в кабеле категории 5Е длиной 2 метра).
- Защитный чехол однопортовых устройств выполнен из пожаробезопасного самозатухающего полиэтилена.
- Особенностью многопортовых модулей защиты является устойчивость работы при случайном попадании фазного напряжения (220В) электросети общего назначения на жилы кабельного сегмента.
Совокупность перечисленных выше качеств позволяет рекомендовать применение устройств линейки РГ5 для защиты кабельных сегментов, проложенных между двумя различными зданиями на большой высоте.
МАРКИРОВКА
РГ5G.Х-ХХХ-ХXХ
РГ5 .X-ХХХ-XXX
Максимально допустимое напряжение на кабеле;
Количество портов, способ подключения;
Номер технологической модификации
Fast Ethernet – отсутствие буквы, Gigabit Ethernet – буква G;
ПОДКЛЮЧЕНИЕ
Устройство включается в разрыв кабеля между защищаемым оборудованием и кабельным сегментом. Желто-зеленый провод устройства однопортового устройства или винтовая клемма многопортового модуля подключаются к проводнику защитного заземления РЕ электрической сети. Электрическая проводка в помещении, где производится установка защитного устройства, должна быть выполнена по трехпроводной схеме TN-S.
ВНИМАНИЕ !!!
Эксплуатация устройства при отключенном проводнике защитного заземления значительно снижает его защитные свойства и делает его применение мало эффективным.
Не рекомендуется для подключения к защитному проводнику использовать корпус компьютера. Импульсный ток, проходящий через элементы корпуса, может повредить их и стать источником опасных напряжений для электронных компонентов, размещенных в корпусе.
Если помещение, где устанавливается защитное устройство, не имеет контура защитного заземления РЕ, рекомендуется использовать устройство РГ6, обеспечивающее меньший уровень защиты оборудования, но не требующее заземления.
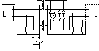
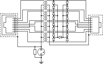
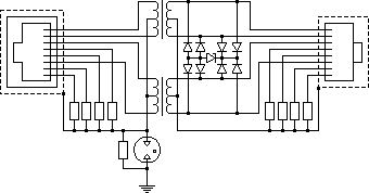
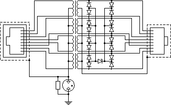
ПРИНЦИПИАЛЬНЫЕ СХЕМЫ
Документация и ПО
Аналоги
| Наименование товара | Артикул | Цена | Доступно / всего | |
|---|---|---|---|---|
| SNR-SPD-1.1G | 2 135 ₽ | В наличии: 1 000+ шт |
Отзывы о товаре
Вопросы о товаре
Доставка
Устройство защиты РГ5-1 c доставкой по всей России. Способ доставки вы выбираете при оформлении заказа: самовывоз со склада, курьером до адреса, в пункт выдачи заказа (ПВЗ) или до терминала транспортной компании.
Доступные службы доставки: Деловые линии, DPD, Почта России, СДЭК, КСЭ, ПЭК, Спецсвязь, КИТ.
Сроки и стоимость доставки рассчитываются при оформлении заказа.
Оплата
Оплатить заказ можно банковской картой или по счёту для юридических лиц и ИП.
Также доступна покупка в кредит через банк-партнёра.


