Описание
НАЗНАЧЕНИЕ
Предназначены для защиты оборудования, использующего среду передачи Ethernet 10/100Base-TX, поддерживающих технологию PoE (High Power Over Ethernet IEEE 802.3at), от опасных напряжений, возникающих в результате атмосферных разрядов (грозы) и индустриальных помех. Стандарт IEEE 802.3at предусматривает две схемы организации дистанционного питания для сетей Ethernet. Устройства РГ4РоЕ поддерживает обе схемы.
Особенность: корпус крепления на DIN рейку.
Технология PoE применяется для питания IP-видеокамер, Wi-Fi оборудования, радио - и лазерных мостов в сетях Ethernet. Очень часто возникает необходимость установки такого оборудования вне помещений, а для радио - и лазерных мостов эта ситуация штатная. В таких случаях необходимо защищать оборудование от воздействия атмосферного электричества. Устройства защиты линейки РГ4PoE предназначены для защиты именно такого оборудования.
- РГ4PoE.х-1-220 - Однопортовое устройство защиты для сетей 10/100Base-TX внутри помещений
- РГ4GPoE.х-1-220 - Однопортовое устройство защиты для сетей 10/100/1000Base-TX внутри помещений
- РГ4PoE.х-IP54-220 - Однопортовое устройство защиты для сетей 10/100Base-TX вне помещений
- РГ4GPoE.х-IP54-220 - Однопортовое устройство защиты для сетей 10/100/1000Base-TX вне помещений
- РГ4PoE.x-1DIN-220 - Однопортовое устройство защиты для сетей 10/100Base-TX для установки на DIN-рейку
- РГ4GPoE.x-1DIN-220 - Однопортовое устройство защиты для сетей 10/100/1000Base-TX для установки на DIN-рейку
- РГ4PoE.х-6LSA-220 - Групповой модуль защиты на 6 портов для сетей 10/100Base-TX.
- РГ4GPoE.х-6LSA-220 - Групповой модуль защиты на 6 портов для сетей 10/100/1000Base-TX.
Групповые модули устанавливаются в Универсальный корпус 19-ти дюймового европейского стандарта высотой 1U отличающийся повышенной жёсткостью и удобством монтажа.
- Поддерживают обе схемы организации дистанционного питания, предусмотренные стандартом IEEE 802.3at.
- Не имеют ограничений по току, передаваемому в питаемое устройство. Стандарт IEEE 802.3at предусматривает ток до 1,2А.
- Высокая стойкость. Способность отводить на шину заземления большие токи при сохранении работоспособности (5000 ампер и более!!!).
- Высокая степень подавления помех.
- Низкие потери полезного сигнала. (Уровень потерь в устройстве меньше чем в кабеле категории 5Е длиной 1 метр).
- Работоспособность изделия при случайном попадании фазного напряжения (220В) на жилы кабеля.
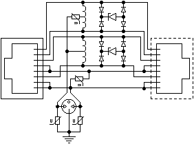
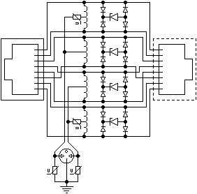
ПРИНЦИП РАБОТЫ
В основе работы устройств лежит принцип отвода опасных напряжений, возникающих в кабеле, на шину заземления через среднюю точку симметрирующего дросселя.
Диодный мост с TVS-диодом в диагонали обеспечивает подавление противофазных помех на сигнальной паре.
Применение газонаполненного разрядника исключает появление уравнивающих токов в схемах с применением заземления на обоих концах кабельного сегмента. Напряжение срабатывания разрядника выбрано таким образом, чтобы обеспечить работоспособность изделия при случайном попадании фазного напряжения (220В) электросети общего назначения на жилы кабельного сегмента.
ПОДКЛЮЧЕНИЕ
Устройство включается в разрыв кабеля между защищаемым оборудованием и кабельным сегментом. Желто-зеленый провод устройства подключается к проводнику защитного заземления РЕ электрической сети. Электрическая проводка в помещении, где производится установка защитного устройства, должна быть выполнена по трехпроводной схеме TN-S.
ВНИМАНИЕ !!!
Эксплуатация устройства при отключенном проводнике защитного заземления ЗАПРЕЩЕНА !
Не рекомендуется для подключения к защитному проводнику использовать корпус компьютера. Импульсный ток, проходящий через элементы корпуса, может повредить их и стать источником опасных напряжений для электронных компонентов, размещенных в корпусе.
Основные параметры
| РГ4PoE-1 РГ4GPoE-1 | РГ4PoE-IP54 РГ4GPoE-IP54 | РГ4POE-1DIN РГ4GPOE-1DIN | РГ4PoE-6LSA РГ4GPoE-6LSA | ||
| Подключение кабеля | Розетка RJ-45 | Коннектор LSA | Коннектор LSA | Коннектор LSA | |
| Подключение оборудования | Исполнение 1 | Розетка RJ-45 | Коннектор LSA | Розетка RJ-45 | Розетка RJ-45 |
| Исполнение 2 | Вилка RJ-45 | ||||
| Соответствие стандартам | IEEE 802.3af, 802.3at | ||||
| Защищаемые проводники | 1,2,3,4,5,6,7,8 | ||||
| Вносимые потери в полосе рабочих частот 5 - 95 МГц | 0,4 дБ | ||||
| Возвратные потери на частоте: | 10 МГц | 30 дБ | |||
| 50 МГц | 20 дБ | ||||
| 90 МГц | 15 дБ | ||||
| Переходное затухание между каналами на частоте 90 МГц | > 30 ДБ | ||||
| Уровень ограничения дифференциального напряжения | ±2,5 В | ||||
| Время срабатывания дифференциальной защиты | 10 нс. | ||||
| Максимально допустимое напряжение питания PoE | 64 В | ||||
| Максимально допустимое напряжение в кабеле (относительно "ЗЕМЛИ")* | 250 (AC) 350 (DC) | ||||
| Максимальный отводимый импульсный ток (импульс 8/20 мкС) | 10 КА | ||||
| Уровень ограничения синфазного напряжения (импульс 8/20 мкС) | ±850 В | ||||
| Ток в цепях питания Power Over Ethernet | 1.2 А | 2.0 А | 2.0 А | 1.2 А | |
| Размеры (без заземляющего провода и соединительного кабеля) | 33x83x14 мм | 75x73x40 мм | 94х73х17.5 мм | 215x103x40 мм | |
| Вес | 60 Гр. | 90 Гр. | 70 Гр. | 110 Гр. | |
*Возникает в результате неравенства потенциалов «ЗЕМЛИ» в различных точках подключения. Максимальных значений это напряжение достигает, если точки подключения не охвачены системой уравнивания потенциалов.
Документация и ПО
Аналоги
| Наименование товара | Артикул | Цена | Доступно / всего | |
|---|---|---|---|---|
| SNR-SPNet-BP1010-IP20 | 1 387 ₽ | В наличии: 100+ шт Транзит: 100+ шт | ||
| SNR-SPNet-B1010-IP20 | 1 311 ₽ | В наличии: 100+ шт Транзит: 100+ шт |
Отзывы о товаре
Вопросы о товаре
Доставка
Устройство защиты РГ4РоЕ-1DIN c доставкой по всей России. Способ доставки вы выбираете при оформлении заказа: самовывоз со склада, курьером до адреса, в пункт выдачи заказа (ПВЗ) или до терминала транспортной компании.
Доступные службы доставки: Деловые линии, DPD, Почта России, СДЭК, КСЭ, ПЭК, Спецсвязь, КИТ.
Сроки и стоимость доставки рассчитываются при оформлении заказа.
Оплата
Оплатить заказ можно банковской картой или по счёту для юридических лиц и ИП.
Также доступна покупка в кредит через банк-партнёра.





