Шкаф уличный всепогодный 42U глубина 1000мм (нагрев, охлаждение, контроль климата) предназначен для размещения автономно функционирующего активного и пассивного оборудования, поддержания заданного температурного режима внутри шкафа при эксплуатации. Возможна установка в закрытых помещениях или на открытом воздухе.
Корпус шкафа имеет сварную металлическую конструкцию, внутри покрыт термоизоляционным негорючим материалом. В основании шкафа предусмотрена съемная заглушка для ввода кабеля. Регулируемые по глубине 19'' направляющие толщиной 2 мм.
Шкаф имеет выносные клеммы для подключения нагревателей и вентиляторную систему охлаждения. Вид климатического исполнения У2 ГОСТ 15150 с предельными рабочими температурами воздуха при эксплуатации от -50 С до +45 С и относительной влажности воздуха не более 80% при +20 С. Степень защиты: IP54.
Материалы: холоднокатаная сталь ГОСТ 19904-90. Толщина деталей не менее 1,2 мм.
Покрытие - порошковая краска соответствующая ГОСТ 9.410-88.
| Габаритные размеры |
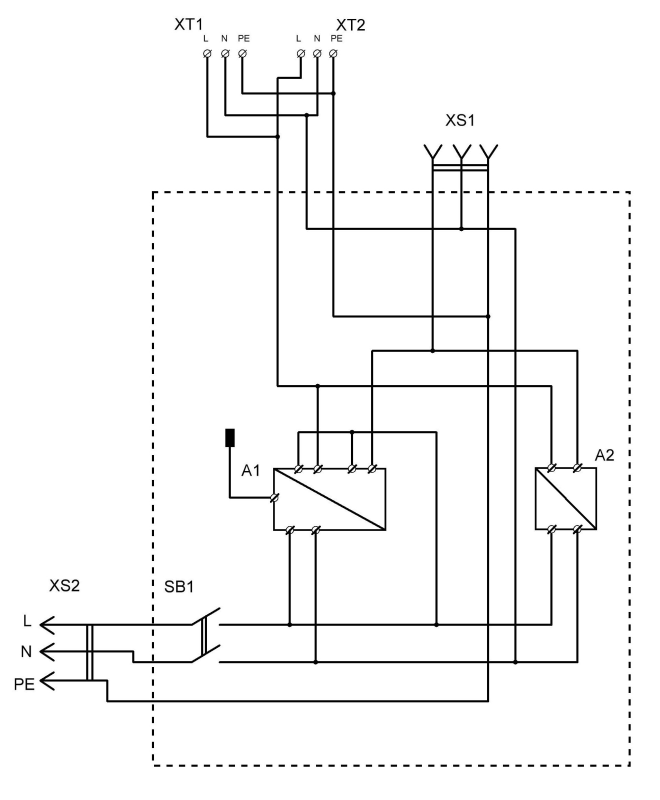
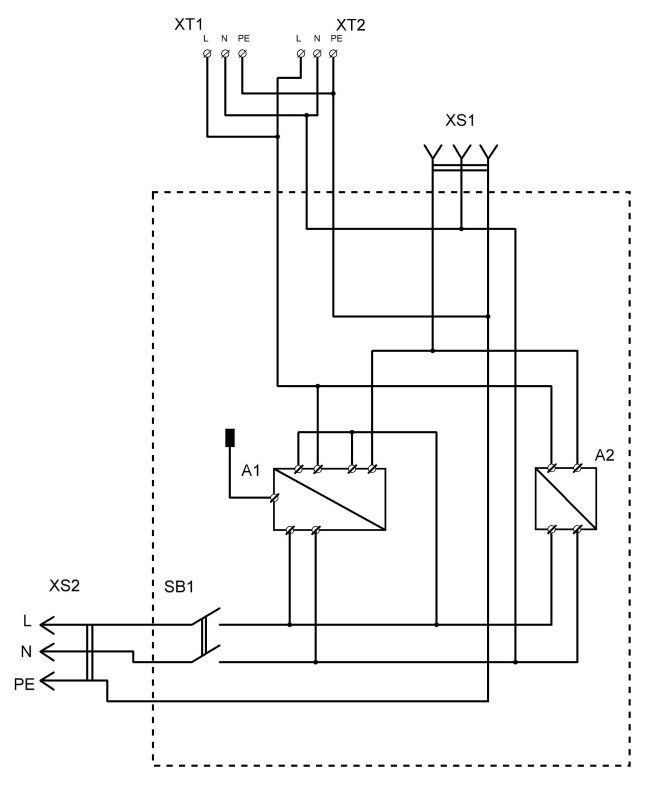
| Схема электрическая принципиальная |
| Обозначение | Наименование | К-во |
| XS2 | Разъем питания (вход) | 1 |
| SB1 | Кнопка вкл./выкл. | 1 |
| XS1 | Разъем питания (вентиляторный модуль) | 1 |
| A1 | Цифровой терморегулятор | 1 |
| A2 | Гигростат | 1 |
| XT1, XT2 | Клемма 4 мм (для подключения нагревателей) | 6 |
| Общие | |
|---|---|
| Тип шкафа | Климатический шкаф |
| Тип установки | Напольная |
| Класс защиты IP | IP54 |
| Цвет | Серый |
| Распределенная нагрузка, кг | 500 |
| Размеры | |
| Высота, U | 42 |
| Ширина | 750 |
| Высота, мм | 2175 |
| Глубина, мм | 1060 |
| Полезная глубина, мм | 880 |
| Конструкция и материалы | |
| Тип двери спереди | Цельнометаллическая |
| Тип двери сзади | Цельнометаллическая панель |

