ООО «НАГ» соблюдает международное торговое законодательство и не поставляет продукцию производителей, законодательство которых запрещает такие поставки.

Shop NAG

Каталог

Акции
Избранное
Сравнить
Корзина
Оптический усилитель VERMAX для сетей КТВ, 16*21dBm, WDM фильтр PON
Оптический усилитель VERMAX для сетей КТВ, 16*21dBm, WDM фильтр PON
Оптический усилитель VERMAX для сетей КТВ, 16*21dBm, WDM фильтр PON
Оптический усилитель VERMAX для сетей КТВ, 16*21dBm, WDM фильтр PON

Оптический усилитель VERMAX для сетей КТВ, 16*21dBm, WDM фильтр PON

Vermax

Нет отзывов

Нет вопросов

О товаре
Артикул
Vermax-MLP-16x21 P
Код товара
033824
Ваша цена (шт):
227 999 

Гарантия 12 месяцев

Самовывоз со склада: через 8-12 недель, бесплатно
Под заказ
Кредитование для юр. лиц от банка-партнёра. Доступно для ООО и ИП
Описание
Характеристики
Документация и ПО
Отзывы
Вопросы
Доставка и оплата

Описание

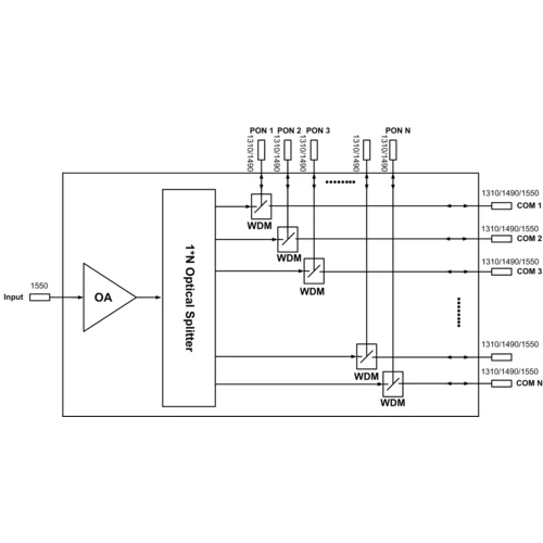
VERMAX-MLP-16x21 P - является высокопроизводительным EDFA усилителем с низким уровнем шума . Каждый выход имеет встроенный CWDM мультиплексор длин волн 1310/1490/1550 нм, благодаря чему достигается уменьшение количествя оборудования в тракте, улучшение качественных показателей  и повышается общая надежность системы. Это идеальное оборудование для сетей FTTx, обеспечивающее гибкое и недорогое решение для интеграции WDM и FTTH.

Эксплуатационные характеристики EDFA Vermax-MLP-16x21 P:

  • Поддерживает управление и мониторинг по SNMP-протоколу
  • Количество выходных портов: 16;
  • CWDM мультиплексор длин волн 1310/1490/1550 нм;
  • Низкий коэффициент шума: менее 6 дБ при входном уровне сигнала 0 дБм;
  • Удобный интерфейс сетевого управления, совместим со стандартом сетевого управления SNMP;
  • Интеллектуальная система контроля температуры позволяет уменьшить энергопотребление.

Характеристики

Общие
Управление и мониторингWEB, SNMP
Оптические характеристики
Длина волны, нм1545-1565
Входная мощность, дБм-5 ... +10
Выходная оптическая мощность, дБм21
Общая выходная оптическая мощность, дБм35
Стабильность выходной мощности, дБм±0.5
Обратные потери по входу, дБ≥ 45
Обратные потери по выходу, дБ≥ 45
Утечка накачки по входу, дБм≤ -30
Утечка накачки по выходу, дБм≤ -30
Поляризационно-зависимое усиление, дБ<0.5
Поляризационно-модовая дисперсия, пс<0.5
Диапазон регулировки оптической мощности, дБм4
WDM фильтрДа
C/N, дБ≥ 50
C/CTB, дБ63
C/CSO, дБ63
Общие характеристики
Напряжение питания, В160-250 (DC 48 Опционально)
Общая потребляемая мощность, Вт≤ 50
Рабочая температура, °С-10 ... +50
Рабочая относительная влажность воздуха, %< 85%
Температура хранения, °С-40...+80
Габаритные размеры,мм483 x 440 x 88
ВЕС, КГ6

Документация и ПО

Документация, руководства и инструкции
Программное обеспечение

Отзывы о товаре

Пока нет ни одного отзыва
0

Вопросы о товаре

Пока нет ни одного вопроса.

Доставка

Оптический усилитель VERMAX для сетей КТВ, 16*21dBm, WDM фильтр PON c доставкой по всей России. Способ доставки вы выбираете при оформлении заказа: самовывоз со склада, курьером до адреса, в пункт выдачи заказа (ПВЗ) или до терминала транспортной компании.

Доступные службы доставки: Деловые линии, DPD, Почта России, СДЭК, КСЭ, ПЭК, Спецсвязь, КИТ.

Сроки и стоимость доставки рассчитываются при оформлении заказа.

Подробные условия доставки

Оплата

Оплатить заказ можно банковской картой или по счёту для юридических лиц и ИП.

Также доступна покупка в кредит через банк-партнёра.

Подробнее об условиях оплаты